Craftsman Mower Electrical Schematic Wiring Diagram

Craftsman Mower Wiring Schematic. Wiring Diagrams For Craftsman Riding Mowers Wiring Diagram The wiring system plays a crucial role in powering various components of the mower STARTER WHITE SOLENOID BLACK IGNITION SWITCH If-., .,-_.

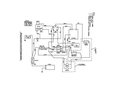
Craftsman Lawn Mower Model 917 Wiring Diagram Download Wiring Diagram
Craftsman Lawn Mower Model 917 Wiring Diagram Download Wiring Diagram from faceitsalon.com

It shows the various components of the system and their connections, allowing users to understand how the electrical system functions and troubleshoot any issues. The Craftsman lt1000 wiring diagram is a comprehensive guide that covers all the electrical components of the mower, including the battery, starter motor, ignition switch, solenoid, lights, and more

Craftsman Lawn Mower Model 917 Wiring Diagram Download Wiring Diagram

The Craftsman YS4500 mower is a reliable and popular choice for maintaining your lawn Lawn Mower Craftsman CRAFTSMAN 917.25552 Owner's Manual Understanding the Wiring System of the Craftsman YS4500 Mower

Craftsman 42 Riding Mower Wiring Diagram Esquilo.io. Having a comprehensive wiring diagram is essential for troubleshooting and maintaining the electrical system of this mower. In conclusion, understanding Craftsman riding mower wiring diagrams is an essential skill for troubleshooting and repairing electrical issues

Craftsman 42 Riding Mower Wiring Diagram. To ensure that your mower is up and running, it is essential to understand the wiring system of the machine Lawn Mower Craftsman CRAFTSMAN 917.25552 Owner's Manual